Crystal Spring Industries Logo

Spiral Spring

  • Home
  • Spiral Spring
Manufacturer & Supplier of
Border

Spiral Spring

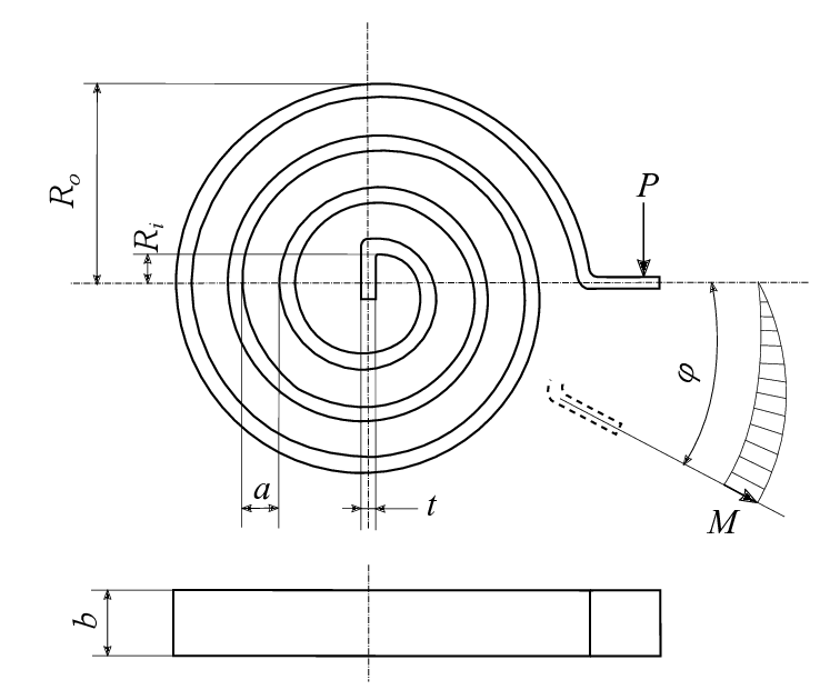
Spiral springs, often referred to as constant force springs or clock springs, are precision-engineered from coiled ribbon spring steel. These springs serve multiple functions such as counterbalancing, retrieval, maintaining constant loads, transmitting motion, and clamping. They are designed to provide a nearly uniform force regardless of the extension length. Constructed from flat steel, spiral springs are characterized by their coil design, which ensures that coils do not make contact with each other during operation. This design allows the spring to deliver rotational torque, typically within a 360-degree range or less. The spring’s inner end is usually bent to connect to an arbor or hub, while the outer end is attached to the rotating object or mechanism that utilizes the spring’s torque.

Material

  • Spring Steel: Known for its strength and flexibility, essential for consistent force and durability.
  • Stainless Steel: Provides excellent resistance to corrosion, making it ideal for demanding environments.

 

Finish

  • Zinc Plating: Coats the spring to prevent rust and extend its operational life.
  • Galvanizing: Offers enhanced corrosion resistance, ideal for outdoor or aggressive conditions.
  • Powder Coating: Provides a durable and visually appealing finish that improves resistance to environmental factors.
  • Black Oxide: Delivers a sleek, black finish while offering moderate protection against corrosion.
  • Passivation: Enhances the natural oxide layer on stainless steel, boosting corrosion resistance and preserving appearance.

 

Manufacturing Process

Spiral Springs are manufactured on imported CNC Spring forming Machines or on SPM to maintain its criticality in applications.

PRODUCT APPLICATIONS

  • Seat Belts
  • Door Handles
  • Car Windows
  • Point of Purchase Displays
  • Counter balances